工程分类
更多>>联系人:
电话:0511-88791451
手机:13951280541
邮箱:jfchen@ujs.edu.cn
地址:镇江市学府路80号
最新文章
您的位置:网站首页 > 最新文章可控硅控制系统
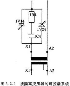
3.2.1 接隔离变压器的可控硅系统
在隔离变压器的一次侧采用可控硅控制如图3.2.1。国内目前生产的可控硅最高工作电压为1500V,电流在500A以下的性能基本接近于国际水平。一般接在380V的供电电源上,而系统的千伏安值等于最大电压乘最大电流。可控硅允许导通电流越大,它的价格也越高。

对于接三相隔离变压器的可控硅系统采用六只可控硅结构形式,由两个正反并联的可控硅连接组成。当一相可控硅导通时,另一相的可控硅也必须导通,使电流在二相间流通。这种六只可控硅形式的优点是,当使用稳定的触发电路时它能做到零直流输出,所以对所有的电感性负载和玻璃电熔化负载都推荐使用六只可控硅的形式。
可控硅控制电路的性能除了与结构形式有关以外,还与触发电路的精确性有关。通常可控硅功率控制器制造厂采用电阻—电容(RC)时间网络来确定正弦波电压过零参考点和改变极性的时间。一个设计完善的现代触发电路能够综合正弦波零交点前后30°区域,发生在零交点附近的电压瞬变具有最小的功率值并不会扰乱零交点传感网络。设计合理的触发电路能够确立一个真正的零交点传感网络,并向可控硅提供精确导通参考信号。具有现代触发线路的可控硅系统可以做到输出功率中的直流分量为零。这种零交点参考线路还有一个优点,它不受电压和频率动荡的影响。对于它的校准也不需要昂贵的、复杂的电子测试设备;零交点参考线路是真正的自校准线路。
对可控硅控制系统的要求: ①能适应感性负载。②对三相变压器来说,输出的三相电压平衡,不平衡会引起副边电压的不平衡,影响加热温度的均匀性。③输出三相电压的直流分量小,要求输出电压波形正负半周对称性好,如有直流分量,严重时会引起变压器铁芯磁化。另外,如有直流加到电极上,会使电极表面产生沉积物和气泡,并且加快电极的腐蚀。④具有良好的调节、控制、保护特性。如限流、过流保护、缺相保护、软启动等等。玻璃液的电阻随温度升高而降低,很小的外界干扰就会使局部的耗用功率或整个系统的功率增加,从而使温度重新升高。由于玻璃存在这种热不稳定性,因而要求可控硅控制系统具有良好的调节控制特性,稳定输出电流,达到恒温目的,提高产品质量。⑤输出电压无晃动,要求触发电路的触发脉冲稳定,脉冲前沿陡而高,保证脉冲前可靠触发,从而减小对加热的影响。
3.2.2接磁性调压器的可控硅系统
接磁性调压器的可控硅系统与接隔离变压器的可控硅系统基本相似。所不同的是接磁性调压器的可控硅系统后边还要加一桥式整流电路,如图3.2.2 ,该系统输出直流电。

3.2.3 接过零触发系统、周波控制器的可控硅控制系统(调功器)
(1)概述。KT-系列微机控制调功器主要用于电加热、控温及其它可以自动连续调节功率的场所。装置的主电路采用大功率可控硅元件作为电力电子开关元件,通过控制过零脉冲数来调节输出功率。调功器与带PID调节器的控温仪表配合,可以组成自动控温系统。
该产品为微机控制产品,具有先进的技术和完备的功能,如具有自动停机功能;多窗口切换与显示功能,通过切换窗口分别显示:①可控硅元件导通周波数(1~150);②运行实际功率值(kW);③运行实际电流值(A);④运行时间,停机定时(分钟,小时);⑤各种故障,共达10余种,使装置运行处于完全透明状态。
同时,由于采用了先进的微电脑控制方式,实现了系统的自检测、自诊断功能,使系统工作可靠、操作简单、极大地方便了用户对各种故障的判别和维护。
(2)主要技术性能。①具有多种保护功能;②具有运行状态显示窗口,也可作为各种功能数字表;③具有各种参数的预设置功能周波、功率、时间等,有记忆功能;④可实现运行时间的定时,自动停机;⑤工作电流指标:(a)在满载情况下可连续运行;(b)在正常运行状态下,负载电流大于设定电流1.1倍时,系统过流保护动作,有记忆功能;⑥可控硅元件反并联线路,过零触发;⑦波形好,对电网无干扰,功率因素高,与触点开关电路和磁性调压器相比,节能、控制灵活、精度高、效率高、寿命长;⑧主要用于交流、调功。如控温场合,加装热工仪表,可组成恒温控制系统。
(3)工作原理。(a)电器原理框图如图3.2.3。
可控硅元件调功器是通过控制可控硅元件,在一定的时间内可控硅元件导通时间的占空比来调节输出功率。本设备设定时间为3秒(150周波)。
该系列产品设有隔离开关,交流电源经隔离开关、快速熔断器接于可控硅元件上,其主电路设有阻容吸收电路,用以吸收可以出现的过电压,防止击穿可控硅元件,系统设有运行指示灯,正常工作时随着晶体闸管的通、断而亮灭。设有电流检测装置,将检测电流信号通过A/D转换供单片机处理。控制电路由微机控制单元、操作显示单元、反馈功放单元组成。为减少故障点,提高可靠性,系统控制板采用大板集成式印刷电路板,在控制板上进行各种信号的模/数转换、分析计算,结合其它工作或故障信号作出相应的判断、调整或报警响应。
(4)KTY1Z、KTY3Z调功器系列产品。调功器可控硅元件主回路现已设计成一个单元,单元上有快速熔断器、R-C保护电路、双向可控硅元件、轴流风扇、温度继电器等元件,安装在一个塑料底座上,集成度及可靠性较高,而且便于安装维修。控温仪表采用英国欧陆公司9000系列温度显示控制仪。
可控硅元件交流调功器可加工成单相、双相、三相,在一个固定周期或变动周期里,以控制导通的交流周波数来控制输出功率大小。可控硅元件在正弦波过零时导通,过零时关断,输出完整的正弦波。已经实现电路的集成化、功率系列化、部件通用化、仪表智能化。
KTY1Z系列单相可控硅元件交流电力控制器,KTY3Z系列三相可控硅元件交流电力控制器,是由单片计算机控制的纯过零触发型电力控制器(调功器),主要适用于电阻性负载。KTY1Z、KT3Z系列单相可控硅元件交流电力控制器,是由单片计算机控制的纯过零触发型电力控制器(调功器),它克服了移相触发型交流电力控制器对电网造成的高次谐波污染。
采用单片计算机控制,较方便地实现了变周期和定周期控制。在变周期控制方式中,由于功率在较小的时间段中都较均匀,所以在温度控制中对温度的超调可大大改善。KTY1Z、KT3Z主要适用于电阻性负载,一般不推荐应用于感性负载,用户需要应用于感性负载或变压器一次侧控制时请与制造厂联系。
KTY1Z、KT3Z的特点: ①采用纯过零触发方式,适用于阻性负载。②主电路和控制电路一体化结构,体积小,重量轻,使用、维护十分方便。③能与国内外各种控制仪表,微机的输出控制信号直接接口。④一个控制信号可同时控制多台KTY1Z装置。⑤装置有过流保护、过热保护功能,并有故障报警输出接点。⑥由单片机控制,具有变周期和定周期波两种控制方式。
(5)某厂曾在钼电极加热的料道中使用调功器。调功器发出的一串串完整的正弦波形施于变压器一次侧,因此功率因素接近于1,设计功率在0-74kVA,输出端选用两只3CT-200A/1200V可控硅反向并接。采用MCS-48系列单片机作为主要运算控制元件,其控制灵活、功能强,适合于低电压、大电流的控温场合;它也可带阻性负载,具有体积小、效率高、对电网谐波干扰小等优点,可配接各种温控仪表,接收0~10mA(或4~20mA)信号,也可手控,整机工作状态采用了数字显示,直观清晰。
整机控制分四个主要部分:①直流电源部分—产生所需要的直流稳压电流+18V、+5V1、+5V2。②逻辑控制部分—这是整机的主要控制部分,根据电网的同步信号、指令值的大小及事先设定要求,产生所需的控制脉冲信号及各种保护信号。③功率放大部分—将控制脉冲信号进行功率放大,送至可控硅(SCR)的控制端。④显示部分—显示整机的工作过程,输出占空比值、输出电流值等。
调功器的周期设定为5s,同时,由于软件较丰富,可很容易地在现场将原“调功”方式改变为“调压”方式,因而适应性较强。
某厂经过一段时期的探索研究,先从使变压器能输入完整正弦波的调功零触发入手,进而结合到料道工艺方面,认为料道中1100℃-1300℃高温玻璃液的热惯性、检测仪表的精度和时间响应,均可满足用调功方式对玻璃液进行加温控制。经过前两条料道一年多来的使用情况来看,从未烧过一次快熔,也没有其它故障发生。但应注意:加在电极上的功率是高功率值与间歇零值的平均值,高功率值时钼电极有“过荷”可能,这里的“过荷”是指,表面电流负荷瞬间过大,有可能产生气泡。使用以上两种可控硅设备要特别注意产品中气泡的增加,但并非绝对不行。
3.2.4 接移相控制器的可控硅控制系统(调压器)
可控硅调压器是属于可控硅元件交流电力控制器产品。调压器采用移相触发的原理,控制可控硅导通角,与自动控温仪表、电脑配合可组成自动控温系统。
可控硅元件移相控制器(可控硅调压器),以控制可控硅(可控硅元件)导通角调节输出电压的方式工作,可与各种控温仪表及可控硅元件组成先进的PID调节自动/手动连续控温系统,广泛用于变压器降压、低压、大电流电热设备的温度控制。
可控硅元件移相触发时产生丰富的高次谐波,对电网及周围电器、仪表产生传导干扰及辐射干扰,在设计电路时应采取措施,减少高次谐波输出。可控硅元件交流调压器主要用于各种电阻炉、直流调压装置、磁性调压器等。
可控硅元件移相控制器具有可控硅元件移相触发,手动控制、自动控制、加热功率指示过载、保护等功能。
KTY1系列是单相可控硅元件交流电力控制器,是移相触发型的电力控制器;KTY3系列三相可控硅元件交流电力控制器,是移相触发型的电力控制器,应用于工业各领域的电压调节、恒压、恒流、恒功率调节,适用于电阻性负载、电感性负载、变压器一次侧等。在玻璃工业主要应用于: ①以硅钼棒、硅碳棒等为加热元件的温度控制;②熔融玻璃的温度加热控制;③ 恒压、恒流、恒功率控制。
KTY系列可控硅元件交流电力控制器的特点: 可用于50Hz,60Hz电网。 采用移相触发控制方式,适用于阻性、感性负载,变压器一次侧, 能与国内外各种控制仪表、微机的输出控制信号直接接口。一个控制信号可同时控制多台KTY1装置。
装置有过流保护、SCR过热保护等保护功能,保护时相应的发光二极管指示灯亮,同时故障报警输出接点动作。
具有“自动限流”功能,输出电流≥105%装置额定电流,电流自动保持恒定。采用主电路和控制电路一体化结构,体积小,重量轻,使用、维护十分方便。
具有软启动、软关断功能,减少对电网的冲击和干扰,使主电路SCR更加安全可靠。
具有多种反馈形式供用户选择:
①恒电压反馈:电源电压波动±10%,负载阻抗变化10倍时,负荷电压保持稳定,输出电压与控制信号成线性关系。
②恒电流反馈:电源电压波动±10%,负载阻抗变化10倍时,负荷电流保持稳定,输出电流与控制信号成线性关系。
③恒功率反馈:电源电压波动±10%,负载阻抗变化4倍时,负荷功率保持稳定,输出功率与控制信号成线性关系。
此页网址为:
相关文章